1653 nm 40 mW DFB-laserdiode voor methaansensor CH4-detectie maakt gebruik van een vlakke constructie met chip op subdrager. De krachtige chip is hermetisch afgesloten in een epoxy- en fluxvrij 14-pins vlinderpakket en uitgerust met een thermistor, thermo-elektrische koeler en monitordiode om laserprestaties van hoge kwaliteit te garanderen. Onze laserproducten zijn Telcordia GR-468-gekwalificeerd en voldoen aan de RoHS-richtlijnen.
1653 nm 40 mW DFB-laserdiode voor methaansensor CH4-detectie maakt gebruik van een vlakke constructie met chip op subdrager. De krachtige chip is hermetisch afgesloten in een epoxy- en fluxvrij 14-pins vlinderpakket en uitgerust met een thermistor, thermo-elektrische koeler en monitordiode om laserprestaties van hoge kwaliteit te garanderen. Onze laserproducten zijn Telcordia GR-468-gekwalificeerd en voldoen aan de RoHS-richtlijnen.
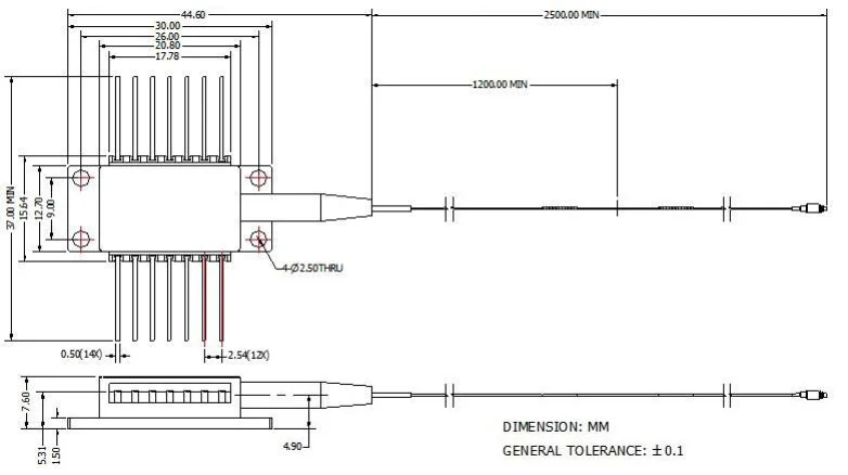
Industriestandaard 14-pins vlinderpakket;
Ingebouwde TEC en optische isolator;
Hoogwaardige, multiquantum well (MQW) laser met gedistribueerde feedback (DFB).
Productietesten van passieve componenten voor gasdetectie;
Vezelgasdetectiesysteem;
Laserbronnen.
| Parameter | Symbool | Voorwaarde | Min. | Typ. | Max. | Eenheid |
| Centrale golflengte | λc | TL=15~35℃ CW | 1652.7 | 1653.7 | 1654.7 | nm |
| Optisch uitgangsvermogen | Po | CW | - | 40 | - | mW |
| LD Drempelstroom | ITH | CW | - | 15 | 40 | mA |
| LD Voorwaartse stroom | Als | Pf = Nominaal vermogen | - | 300 | 400 | mA |
| Optische isolatie | - | -10 |
30
|
-
|
-
|
dB |
|
| Onderdrukkingsverhouding in de zijmodus | SMSR | CW | 35 | 40 | - | dB |
| Bewaak de responsiviteit | Ik /Pf | - | - | 1 | 20 | uA/mW |
| Bewaak de stabiliteit van de responsiviteit | - | - | - | - | 20% | - |
| Monitor donkerstroom | Identiteitskaart | VPD=5V | - | - | 50 | nA |
| TEC-stroom | ITEC | Tcase =75℃ | - | - | 2 | A |
| TEC-spanning | VTEC | Tcase =75℃ | - | - | 3.5 | V |
| TEC-stroomverbruik | P | Tstg =25℃ | - | - | 5 | W |
| Thermistorweerstand | Rth | Tcase =75℃ | 9.5 | 10 | 10.5 | Kohm |
| Thermistor B-constante | Bth | Tstg =25℃ | - | 3900 | - | K |
| Golflengtedrift (EOL) | △λ | Getest gedurende een levensduur van 25 jaar | - | - | ±0,1 | nm |
| Golf. Temperatuurcoëfficiënt | Δλ/ΔT | TEC-temperatuur bij 15℃ tot 35℃ | - | 0.09 | - | nm/℃ |
| Golflengte Stroomcoëfficiënt | Δλ/ΔΙ | - | - | 0.01 | - | nm/mA |

Alle producten zijn getest voordat ze worden verzonden;
Alle producten hebben 1-3 jaar garantie. (Nadat de kwaliteitsgarantieperiode begon, werden de juiste onderhoudskosten in rekening gebracht.)
Wij waarderen uw zaken en bieden onmiddellijk een retourbeleid van 7 dagen. (7 dagen na ontvangst van de artikelen);
Als de artikelen die u in onze winkel koopt niet van perfecte kwaliteit zijn, dat wil zeggen dat ze niet elektronisch werken volgens de specificaties van de fabrikant, stuur ze dan gewoon naar ons terug voor vervanging of terugbetaling;
Als de artikelen defect zijn, dient u dit binnen 3 dagen na levering aan ons te melden;
Alle artikelen moeten in hun originele staat worden geretourneerd om in aanmerking te komen voor terugbetaling of vervanging;
De koper is verantwoordelijk voor alle gemaakte verzendkosten.
Vraag: Wat is de nauwkeurigheid van de golflengte?
A: +/-0,5 nm.
Vraag: Heeft u andere versies van het uitgangsvermogen?
EEN: 10 mW, 15 mW, 50 mW.
Copyright @ 2020 Shenzhen Box Optronics Technology Co., Ltd. - China Glasvezelmodules, fabrikanten van glasvezelgekoppelde lasers, leveranciers van lasercomponenten. Alle rechten voorbehouden.