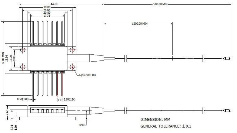
De krachtige 1653,7 nm lasermodule maakt gebruik van een vlakke constructie met chip op subdrager. De hoge powerchip is hermetisch afgesloten in een epoxy- en fluxvrij 14-pins vlinderpakket en voorzien van een thermistor, thermo-elektrische koeler en monitordiode om laserprestaties van hoge kwaliteit te garanderen. De 1653 nm 40 mW BTF-laserdiode voor methaangasdetectie is Telcordia GR-468 gekwalificeerd en voldoet aan de RoHS-richtlijnen.
De krachtige 1653,7 nm lasermodule maakt gebruik van een vlakke constructie met chip op subdrager. De krachtige chip is hermetisch afgesloten in een epoxy- en fluxvrij 14-pins vlinderpakket en uitgerust met een thermistor, thermo-elektrische koeler en monitordiode om laserprestaties van hoge kwaliteit te garanderen. Onze laserproducten zijn Telcordia GR-468-gekwalificeerd en voldoen aan de RoHS-richtlijnen.
● Industriestandaard 14-pins vlinderpakket;
● Ingebouwde TEC en optische isolator;
● Hoogwaardige laser met multiquantum well (MQW) gedistribueerde feedback (DFB).
● Productietesten van passieve componenten voor gasdetectie;
● Glasvezelgasdetectiesysteem;
● Laserbronnen.
| Parameter | Symbool | Voorwaarde | Min. | Typ. | Max. | Eenheid |
| Centrale golflengte | lc | Tl = 15 ~ 35 ℃ qu | 1652.7 | 1653.7 | 1654.7 | nm |
| Optisch uitgangsvermogen | Na | CW | - | 40 | - | mW |
| LD Drempelstroom | ITH | CW | - | 15 | 40 | mA |
| LD Voorwaartse stroom | Als | Pf = Nominaal vermogen | - | 300 | 400 | mA |
| Optische isolatie | - | -10 |
30
|
-
|
-
|
dB |
|
| Onderdrukkingsverhouding in de zijmodus | SMSR | CW | 35 | 40 | - | dB |
| Bewaak de responsiviteit | Vaccinatie | - | - | 1 | 20 | was / mw |
| Bewaak de stabiliteit van de responsiviteit | - | - | - | - | 20% | - |
| Monitor donkerstroom | Identiteitskaart | VPD=5V | - | - | 50 | nA |
| TEC-stroom | ITEC | Tcase =75℃ | - | - | 2 | A |
| TEC-spanning | VTEC | Tcase =75℃ | - | - | 3.5 | V |
| TEC-stroomverbruik | P | Tstg =25℃ | - | - | 5 | W |
| Thermistorweerstand | Rth | Tcase =75℃ | 9.5 | 10 | 10.5 | Kohm |
| Thermistor B-constante | Bth | Tstg =25℃ | - | 3900 | - | K |
| Golflengtedrift (EOL) | △λ | Getest gedurende een levensduur van 25 jaar | - | - | ±0,1 | nm |
| Golf. Temperatuurcoëfficiënt | Dl/Dt | TEC-temperatuur bij 15℃ tot 35℃ | - | 0.09 | - | nm/℃ |
| Golflengte Stroomcoëfficiënt | Dl/DI | - | - | 0.01 | - | NM/in |

Alle producten zijn getest voordat ze worden verzonden;
Alle producten hebben 1 jaar garantie. (Nadat de kwaliteitsgarantieperiode begon, werden de juiste onderhoudskosten in rekening gebracht.)
Wij waarderen uw zaken en bieden onmiddellijk een retourbeleid van 7 dagen. (7 dagen na ontvangst van de artikelen);
Als de artikelen die u in onze winkel koopt niet van perfecte kwaliteit zijn, dat wil zeggen dat ze niet elektronisch werken volgens de specificaties van de fabrikant, stuur ze dan gewoon naar ons terug voor vervanging of terugbetaling;
Als de artikelen defect zijn, dient u dit binnen 3 dagen na levering aan ons te melden;
Alle artikelen moeten in hun originele staat worden geretourneerd om in aanmerking te komen voor terugbetaling of vervanging;
De koper is verantwoordelijk voor alle gemaakte verzendkosten.
Vraag: Wat is de nauwkeurigheid van de golflengte?
A: +/-0,5 nm.
Vraag: Heeft u andere versies van het uitgangsvermogen?
EEN: 10 mW, 15 mW, 50 mW.
C-band Smalle lijnbreedte Geïntegreerde afstembare lasereenheid ITLA
1550nm 40mW 200Khz smalle lijnbreedte DFB vlinderlaserdiode
1550nm 40mW 600Khz DFB vlinderpakket smalle lijnbreedte laserdiode
1550nm 50mW 100Khz smalle lijnbreedte DFB vlinderlaserdiode
1550 nm 2 mW 5 mW coaxiale laserdiode met smalle lijnbreedte
1550 nm 100 MW 100 kHz smalle lijnbreedte DFB laserdiode BTF met sm/pm vezelCopyright @ 2020 Shenzhen Box Optronics Technology Co., Ltd. - China glasvezeloptische modules, fabrikanten van vezels gekoppelde lasers, leveranciers van lasercomponenten Alle rechten voorbehouden.